HTH.COM

人工智能领域

联系我们

HTH.COM-华体会(中国)

选型热线:

13001738973(王工)

15866635707(王工)

0531-88601217

网址:xeffpgj.com 

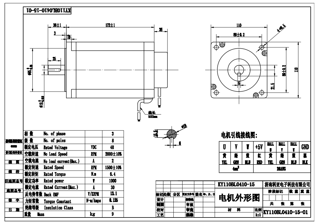
河北直流无刷电机110系列 48V 1000W 1500RPM

您的当前位置: 首 页 >> 产品中心 >> 河北直流无刷电机

河北直流无刷电机110系列 48V 1000W 1500RPM

详细介绍

110.jpg

KY110BL0410-15.png

电机型号及参数:

●电机型号:KY110BL0410-15

●额定电压:48V

●额定功率:1000W

●额定转速:1500RPM

●额定转矩:6.4N.m

●额定电流:30A

●重量:9kg


本文网址://xeffpgj.com/product/699.html

关键词:

最近浏览: