HTH.COM

人工智能领域

联系我们

HTH.COM-华体会(中国)

选型热线:

13001738973(王工)

15866635707(王工)

0531-88601217

网址:xeffpgj.com 

AMR举升/旋转伺服一体机

您的当前位置: 首 页 >> 产品中心 >> AMR伺服一体轮组

AMR举升/旋转伺服一体机

详细介绍

主要功能

l工作模式:速度模式、转矩模式、位置模式;

l 反馈元件:磁编码器;

l控制端口:CAN2.0、CANopen402、RS232、RS485;

l可以通过CAN总线组网控制及监控;

l通过RS232实现对电机转速控制及数据读取;

l驱动器内部温度监测及过温保护;

l过流保护;

l过压、欠压保护;

l堵转、飞转保护;

l电机短路保护


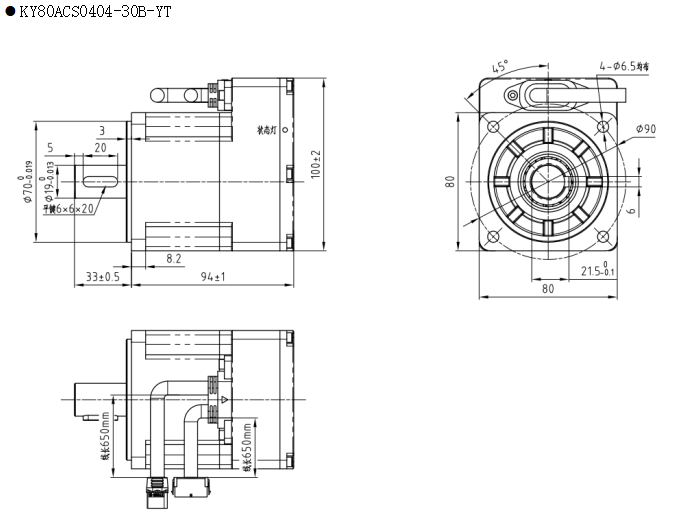
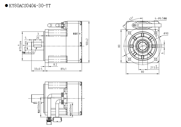
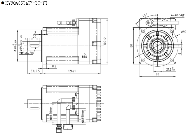
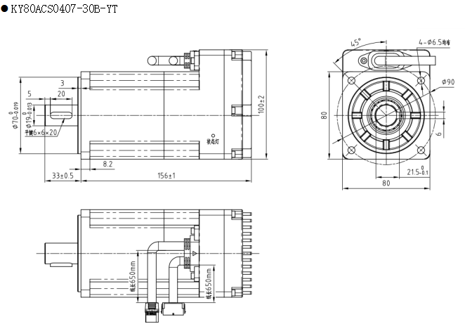
技术参数 KY80ACS0404(7)-30(B)-YT系列一体机技术参数

参数

KY80ACS0404-30(B)-YT

KY80ACS0407-30(B)-YT

单位

 额定电压

48

48

VDC

逻辑电源电压

      (默认不用接)

24

24

VDC

电机额定功率

0.4

0.75

kW

电机额定转矩

1.27

2.39

N.m

电机额定转速

3000

3500

r/min

最大连续电流

11

18

A

最大峰值电流

25(1s过流保护)

45(1s过流保护)

A

通讯端口

RS232:115200

RS232:115200

bps

CAN:125/250/500/1000

CAN:125/250/500/1000

Kbps

RS485:9600/19200/115200

RS485:9600/19200/115200

bps

PWM开关频率

10

10

kHz

欠压保护

18

18

V

过压保护

60

60

V


image.png

image.png

image.png

image.png





本文网址://xeffpgj.com/product/760.html

关键词:直流伺服一体机,低压直流伺服一体机,伺服一体机

上一篇:没有了
下一篇:履带轮毂电机

最近浏览:

相关产品:

相关新闻: